場效應管開關應用
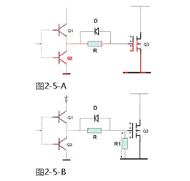
場效應管在開關狀態(tài)工作時; Q1、Q2是輪番導通, MOS管柵極是在反復充電、放電的狀態(tài),假設在此時關閉電源, 場效應管的柵極就有兩種狀態(tài); -一個狀態(tài)是;放電狀態(tài),柵極等效電容沒有電荷存儲,一個狀態(tài)是;充電狀態(tài),柵極等效電容正好處于電荷充溢狀態(tài),圖2-5-A所示。
固然電源切斷,此時Q1、Q2也都處于斷開狀態(tài),電荷沒有釋放的回路, 場效應管柵極的電場仍然存在(能堅持很長時間) , 樹立導電溝道的條件并沒有消逝。
這樣在再次開機瞬間,由于鼓舞信號還沒有樹立,而開機瞬間場效應管的漏極電源(VDS )隨機提供,在導電溝道的作用下, 場效應管即刻產生不受控的龐大漏極電流ID ,使場效應管燒壞。
為了避免此現象產生,在場效應管的柵極對源極并接一只泄放電阻R1 ,如圖2- 5-B所示,關機后柵極存儲的電荷經過R1疾速釋放,此電阻的阻值不可太大,以保證電荷的疾速釋放,普通在5K ~數10K左右。

場效應管在開關振蕩電路中的應用
開關集成電路U101中的振蕩器起振,為場效應管Q101的柵極G提供振蕩信號,于是場效應管Q101開始振蕩,使開關變壓器T101的初級線圈中產生開關電流,開關變壓器的次級線圈3、4中便產生感應電流,3腳的輸出經整流、濾波后形成正反饋電壓加到U101的7腳,從而維持振蕩電路工作,使開關電源進入正常的工作狀態(tài)。場效應管作為該電路中的脈沖放大器件,用于實現“開關振蕩的功能。


左面是增強型 N溝道MOS,簡稱NMOS, 右面是增強型P溝道MOS,簡稱PMOS, 各接成反向器電路圖。
NMOS的漏極(D)接在+5V的電源上,器件參數中設定它的閾值Vth =+1.5V, 當加在柵極(G)和源極(S)間的電壓VGs<Vth時,管子截止,而當VGs> Vth時,管子導通; PMOS的漏極接在-5V的電源上,器件參數中設定它的閾值Vth =-1.5V, 當VGs>Vth時,管子截止,而當VGs<Vth 時,管子導通。為了使截止和導通兩個狀態(tài)界限分明,VGs與Vth 的差別要比較大。
電路輸出端的電容是下級電路對本級的作用的代表,MOS管的輸入電阻很大,一般可當做無窮大,其作用主要表現為電容性。
〈烜芯微/XXW〉專業(yè)制造二極管,三極管,MOS管,橋堆等,20年,工廠直銷省20%,上萬家電路電器生產企業(yè)選用,專業(yè)的工程師幫您穩(wěn)定好每一批產品,如果您有遇到什么需要幫助解決的,可以直接聯系下方的聯系號碼或加QQ/微信,由我們的銷售經理給您精準的報價以及產品介紹
聯系號碼:18923864027(同微信)
QQ:709211280

